Товар сертифицированМежповерочный интервал: 16 лет
Получить консультацию
Наведите телефон на QR код
Ваша заявка отправлена
Менеджер перезвонит вам в ближайшее время
Ваша заявка не отправлена
Произошла ошибка
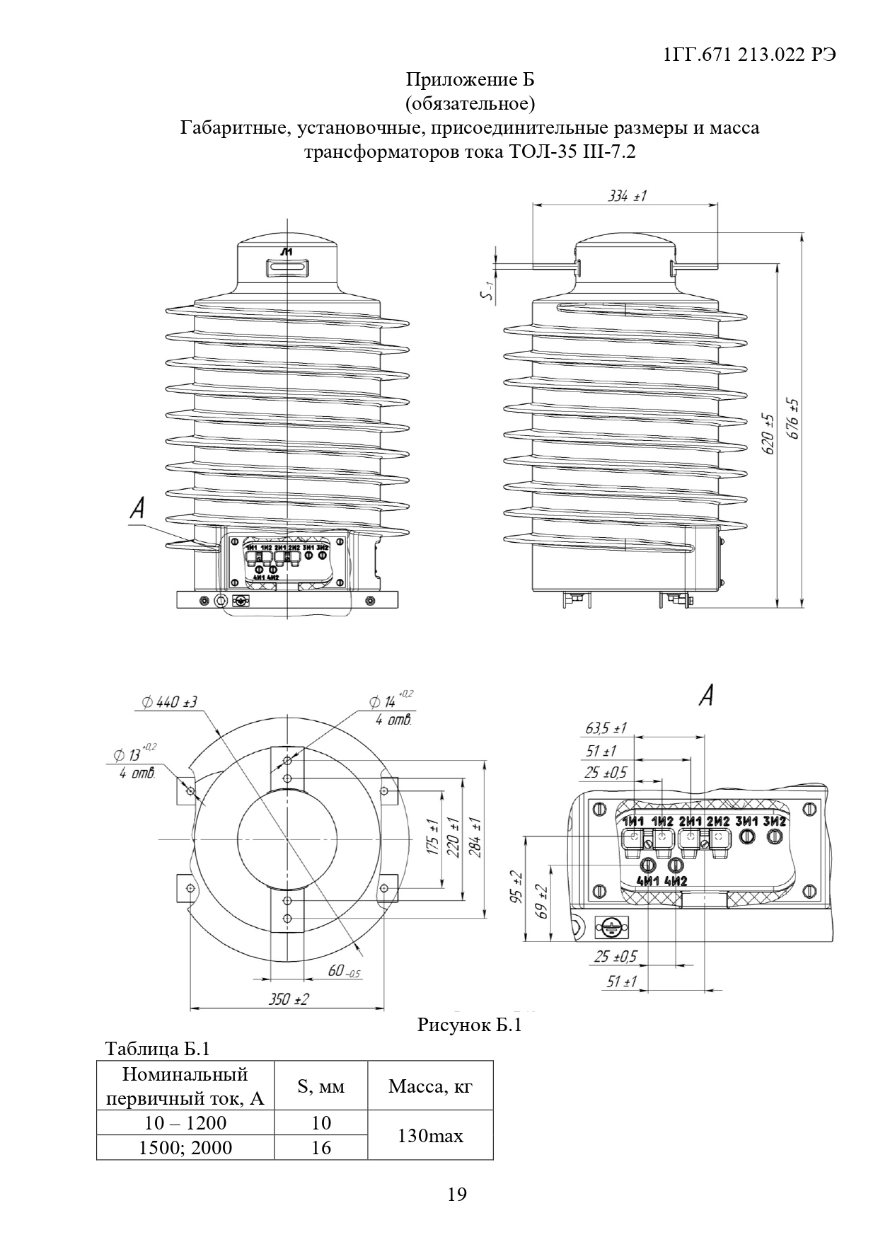
Трансформаторы изготавливаются в климатическом исполнении «УХЛ» и «Т» категории размещения 1 по ГОСТ 15150.
Длина пути утечки III по ГОСТ 9920.
Рабочее положение – вертикальное.
Трансформаторы для дифференциальной защиты поставляются по специальному заказу.
Межповерочный интервал – 16 лет.
ТУ16-2011 ОГГ.671 210.001 ТУ
Трансформаторы тока ТОЛ-35 III-7.2 предназначены для эксплуатации в сетях с напряжением до 35 кВ и преобразования высоких токов в более низкие значения для точных измерений и анализа. Эти устройства играют важную роль в обеспечении безопасности и надежности электрических систем, позволяя эффективно контролировать и управлять электроэнергией в промышленных, коммерческих и жилых зонах.
Модель ТОЛ-35 III-7.2 выделяется высокой точностью и стабильностью работы, что крайне важно для систем, требующих максимальной надежности при высоких напряжениях. Трансформаторы этой серии способны выдерживать значительные электрические нагрузки и перепады напряжения без потери точности измерений. Это достигается благодаря использованию высококачественных изоляционных материалов и передовых технологий производства.
Конструкция ТОЛ-35 III-7.2 обеспечивает не только высокую функциональность, но и легкость обслуживания. Модульная структура трансформаторов позволяет легко получить доступ к компонентам для технического обслуживания и ремонта, что значительно снижает эксплуатационные затраты и продлевает срок службы устройства.
Также важной особенностью ТОЛ-35 III-7.2 является их способность адаптироваться к различным климатическим условиям, что делает их пригодными для использования в разнообразных географических регионах. Надежная работа при низких и высоких температурах, повышенной влажности и других неблагоприятных факторах обеспечивает их эффективность и долговечность.
В итоге, ТОЛ-35 III-7.2 представляют собой высококачественное решение для измерения тока в высоковольтных электрических сетях, обеспечивая точность, надежность и удобство в использовании. Эти качества делают их важной частью современных электроэнергетических систем, где требуется повышенное внимание к безопасности и эффективности.
Технические характеристики трансформаторов ТОЛ-35 III-7.2 (табл. 1)
Наименование параметра
Значение
Номинальное напряжение, кВ
35
Наибольшее рабочее напряжение, кВ
40,5
Номинальная частота переменного тока, Гц
50
Номинальный первичный ток, А
от 50 до 2000
Номинальный вторичный ток, А
1 или 5
Класс точности:
- вторичной обмотки для измерений
0,2S; 0,2; 0,5S; 0,5
- вторичной обмотки для защиты
5Р; 10Р
Количество вторичных обмоток, шт.:
общее количество вторичных обмоток
от 1 до 4
для измерений
1; 2; 3 или 4
для защиты
1; 2 или 3
Номинальная вторичная нагрузка, В•А, вторичных обмоток при cos φ = 0,8 (нагрузка индуктивно-активная):
для измерений
3; 5; 10; 15
для защиты
3; 5; 10; 15; 20; 25; 30
Номинальная предельная кратность вторичной обмотки для защиты*, не менее
10
Номинальный коэффициент безопасности приборов вторичной обмотки для измерений*, не более
6
* Значения номинальной предельной кратности вторичной обмотки для защиты и номинального коэффициента безопасности приборов вторичной обмотки для измерений приведены при наибольшем
(15 В•А для измерительной и 30 В•А для защитной) значении вторичной нагрузки. Количество вторичных обмоток, классы точности, значения номинальных вторичных нагрузок, номинального первичного
и вторичного тока, номинальной предельной кратности вторичной обмотки для защиты и номинального коэффициента безопасности приборов вторичной обмотки для измерений уточняются в заказе.
Технические характеристики трансформаторов ТОЛ-35 III-7.2 (табл. 2)
Номинальный первичный ток, А
Наибольший рабочий первичный ток, А
Номинальный вторичный ток, А
Ток электродинамической стойкости, кА
Односекундный ток термической стойкости,
кА
50
50
5 или 1
12,75
5
75
80
19,13
7,5
80
80
20,4
8
100
100
25,5
10
150
160
38,25
15
200
200
51
20
300
320
76,5
30
400
400
102
40
500
500
127,5
50
600
630
153
60
750
800
800
800
1000
1000
1200
1250
1500
1600
2000
2000
3D-модель-ТОЛ-35-III-7.2-(50-1000-А)
3D-модель-ТОЛ-35-III-7.2
Опросный лист на трансформаторы тока
Руководство по эксплуатации ТОЛ-35 III-7.2
Сертификаты ТОЛ, ТОП, ТОЛК, ТЛК
Трансформаторы серии ТОЛ-35 III-7.2 подходят для замены трансформаторов марок GIF 40,5; ТОЛ-СЭЩ-35-IV.
Новинки продукции
Трансформаторы тока ТЗЛМ-100 (250, 300, 450) х 590; ТЗЛМ-450х700