Товар сертифицированМежповерочный интервал: 16 лет
Получить консультацию
Наведите телефон на QR код
Ваша заявка отправлена
Менеджер перезвонит вам в ближайшее время
Ваша заявка не отправлена
Произошла ошибка
Трансформаторы тока ТВ (далее – трансформаторы) предназначены для преобразования переменного тока в электрических цепях с целью передачи сигнала измерительной информации приборам измерения, защиты, автоматики, сигнализации и управления.
Принцип действия трансформаторов основан на законе электромагнитной индукции. Ток первичной обмотки (обмоткой трансформатора служит высоковольтный ввод выключателя силового трансформатора или линейный ввод, а также высоковольтный кабель или шина) трансформатора создает переменный магнитный поток в магнитопроводе, вследствие чего во вторичной обмотке создается ток, пропорциональный первичному току. Для получения различных коэффициентов трансформации вторичная обмотка может иметь несколько ответвлений. Трансформаторы с несколькими вторичными обмотками могут иметь различные коэффициенты трансформации и различные значения номинального вторичного тока. Трансформаторы могут иметь выводы вторичных обмоток из гибкого многожильного провода.
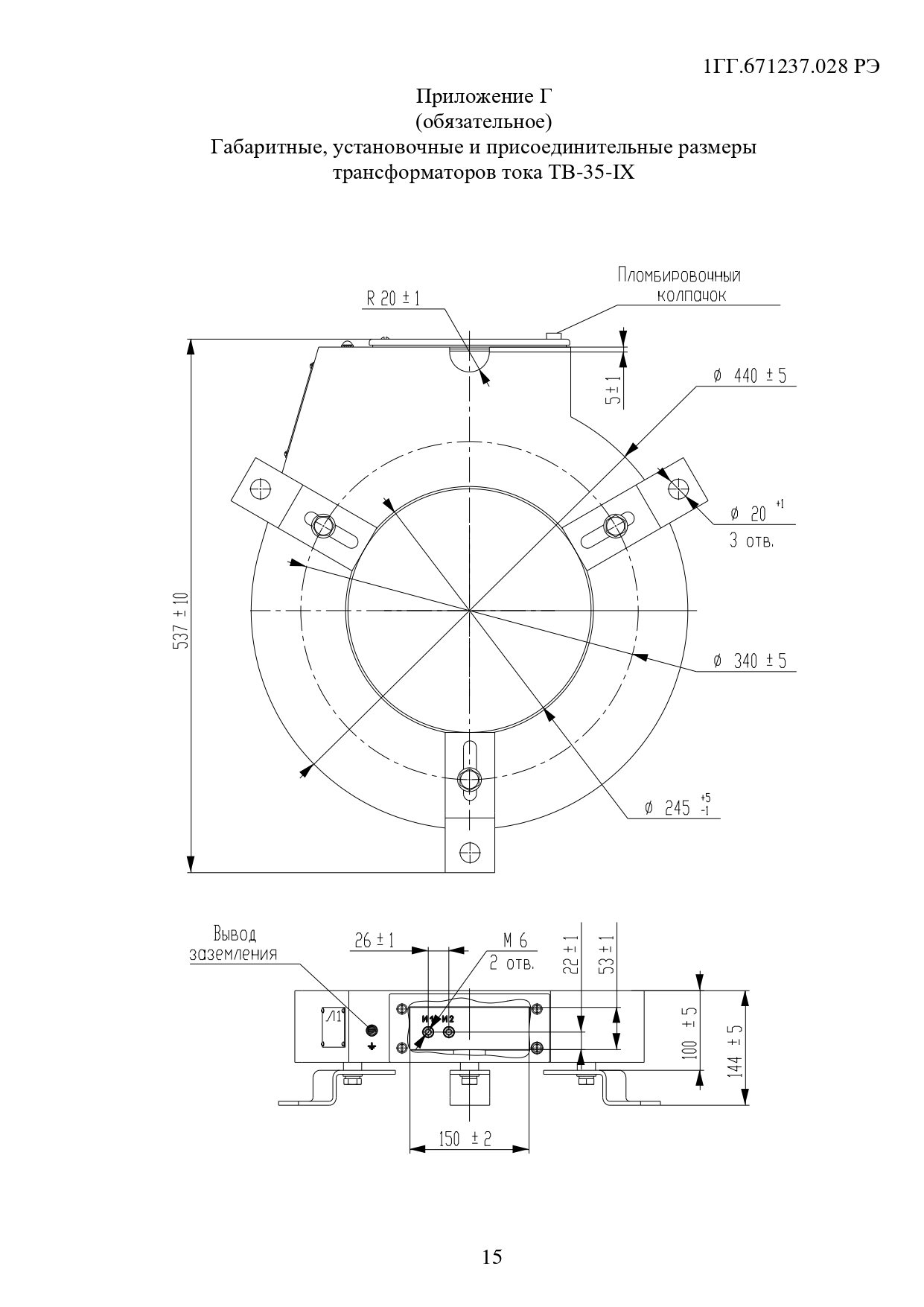
Стороны трансформатора, соответствующие первичной цепи, обозначены Л1 и Л2 (либо только Л1 или Л2).
Трансформаторы имеют ряд модификаций, отличающихся классами точности, значениями первичного и вторичного токов, нагрузок, количеством вторичных обмоток, габаритными размерами, массой, наружной изоляцией, вариантами крепления. Структура обозначения трансформаторов приведена на рисунке 1.
Трансформаторы, выпускаемые в литом корпусе, который выполнен из изоляционного материала, имеют возможность пломбирования вторичных контактов.
Нанесение знака поверки на средство измерений не предусмотрено, знак поверки в виде оттиска поверительного клейма наносится в паспорт.
На трансформаторах размещена табличка технических данных. Заводской номер в виде цифрового обозначения, состоящего из арабских цифр, наносится на табличку технических данных методом термотрансферной печати – для трансформаторов внутренней установки и методом рельефного изображения – для трансформаторов наружной установки.
Интервал между поверками – 16 лет
ТУ16 - 2004 ОГГ.671 237.049 ТУ
Трансформаторы тока ТВ-35-IX – это надежное решение для измерения и контроля тока в высоковольтных электрических системах. Эти устройства преобразуют высокие токи в более удобные для измерения значения, что делает их безопасными и точными для использования в системах электроснабжения.
Разработанные для работы в условиях высоких напряжений, ТВ-35-IX идеально подходят для распределительных сетей, подстанций и промышленных объектов. Эти трансформаторы отличаются высокой надежностью и устойчивостью к внешним воздействиям, таким как перепады температур, влажность и механические повреждения.
Конструкция ТВ-35-IX использует передовые материалы и технологии изоляции, что гарантирует их долговечность и снижает риск повреждений. Встроенные системы защиты автоматически реагируют на любые аномалии в работе, предотвращая аварии и обеспечивая высокий уровень безопасности.
Еще одно преимущество ТВ-35-IX – это их экономичность и простота обслуживания. Благодаря модульной конструкции техническое обслуживание и замена компонентов проводятся легко и быстро, без необходимости демонтажа всего устройства. Это снижает эксплуатационные затраты и повышает общую эффективность системы.
В целом, ТВ-35-IX – это надежные и точные инструменты для измерения тока в высоковольтных электрических системах. Эти трансформаторы сочетают передовые технологии и удобство использования, обеспечивая долгосрочную надежность и стабильную работу в любых условиях.
Технические характеристики трансформаторов ТВ-35-IX
Коэффициент трансформации
Класс точности
Номинальная вторичная нагрузка при cos φ = 0,8, В·А
Трехсекундный токтермической стойкости, Ка (кратность)
Номинальная предельная кратность
Масса, кг
100/5
1
5
50*
-
28
150/5
0,5S
5
200/5
0,5S
10
300/5
0,5S
30
400/5
0,2S
10
500/5
0,2S
15
600/5
0,2S
20
750/5
0,2S
30
800/5
0,2S
40
1000/5
0,2S
50
1200/5
0,2S
100
1500/5
0,2S
100
2000/5
0,2S
100
3000/5
0,2S
100
100/1
1
5
150/1
0,5S
5
200/1
0,5S
10
300/1
0,5S
30
400/1
0,2S
10
500/1
0,2S
15
100/5
10Р
5
(34)
14
34
150/5
10Р
5
20
200/5
10Р
10
14
300/5
10Р
10
19
400/5
10Р
15
17
500/5
10Р
15
21
600/5
10Р
20
17
750/5
10Р
20
21
800/5
10Р
20
22
1000/5
10Р
30
(34)
19
34
1200/5
10Р
30
21
100/1
10Р
5
15
150/1
10Р
5
22
200/1
10Р
10
14
300/1
10Р
10
21
400/1
10Р
15
19
500/1
10Р
15
20
Примечания
* Ток термической стойкости указан при обмотке, замкнутой на номинальную вторичную нагрузку. По согласованию с заказчиком допускается изготовление трансформаторов с другими техническими параметрами.
3D-модель-ТВ-35-IX
Опросный лист ТВ
Сертификаты ТВ
Руководство по эксплуатации ТВ-35-IX
Трансформаторы серии ТВ-35-IX подходят для замены трансформаторов марок ТВ-ЭК М3, ТВЛ-СЭЩ, ТВ-СВЭЛ-...-IX, GSR.
Новинки продукции
Трансформаторы тока ТЗЛМ-100 (250, 300, 450) х 590; ТЗЛМ-450х700