Ваша заявка отправлена
Менеджер перезвонит вам в ближайшее время
Ваша заявка не отправлена
Произошла ошибка
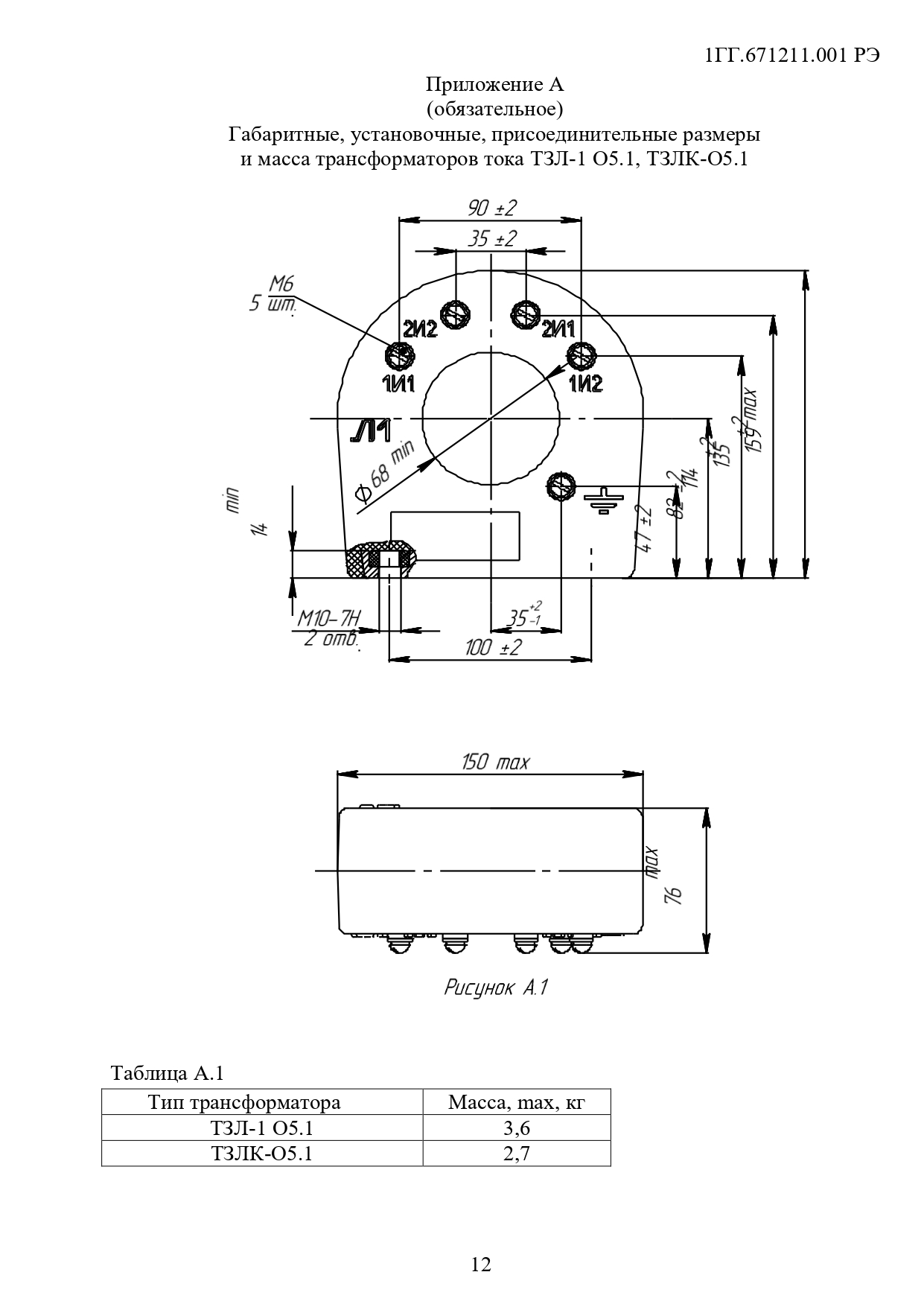
Трансформатор устанавливается на кабель.
Трансформатор изготавливается в климатическом исполнении «O» категории размещения 5.1 по ГОСТ 15150.
Трансформаторы тока нулевой последовательности могут быть использованы в распредустройствах (3-110) кВ при условии, что главная изоляция между токоведущими жилами кабеля и вторичной обмоткой трансформатора обеспечивается изоляцией кабеля или воздушным промежутком.
Рабочее положение – любое.
ТУ16-2011 ОГГ.671 211.059 ТУ
Трансформаторы тока ТЗЛ-1 — это специализированные устройства, предназначенные для преобразования высоких токов в масштабируемые и безопасные уровни для измерения, контроля и защиты в электрических сетях. Они широко используются в энергетике для обеспечения точных данных о токе, что критически важно для управления, мониторинга и оптимизации распределения электроэнергии.
Трансформаторы ТЗЛ-1 отличаются высокой надежностью и способны эффективно работать в различных условиях. Основное их преимущество способность выдерживать значительные перегрузки и кратковременные токовые удары, что делает их идеальным выбором для систем, где возможны скачки напряжения или нестабильные нагрузки.
Эти трансформаторы разработаны для использования в сетях с номинальным напряжением до 1 кВ, что делает их подходящими для монтажа на низковольтных подстанциях или в промышленных установках. Благодаря своей компактной и прочной конструкции, ТЗЛ-1 легко интегрируются в любую систему и требуют минимального обслуживания, что снижает эксплуатационные расходы.
Конструкция ТЗЛ-1 включает высококачественные изоляционные материалы, что обеспечивает устойчивость к воздействию влаги и других агрессивных факторов окружающей среды. Это особенно важно для обеспечения долговечности устройства и его надежной работы на протяжении всего срока службы.
Трансформаторы ТЗЛ-1 также обладают высокой точностью измерений, что позволяет точно контролировать потребление электроэнергии и эффективно управлять электрическими нагрузками. Точные измерения критически важны для предотвращения потерь электроэнергии, а также для обеспечения качества электроснабжения конечных пользователей.
В заключение, трансформаторы тока ТЗЛ-1 представляют собой незаменимый инструмент в современной электроэнергетике, способный обеспечить высокую эффективность и безопасность электрических сетей. Их применение способствует более эффективному распределению и использованию электроэнергии, что является ключом к устойчивому развитию и экономической выгоде.
Диаметр окна, мм68
Класс напряжения, кВ0.66
Климатическое исполнениеО5.1
Коэффициент трансформации25/1
Чувствительность защиты по первичному току
Параметр
Соединение трансформаторов
Параллельное
Последовательное
1
2
3
4
2
3
4
5
Количество трансформаторов
Чувствительность защиты по первичному току, при работе с реле РТЗ-51, не более, А:
- ток уставки 0,02
1,5
2
2,5
2,8
1,5
2
2,2
2,5
- ток уставки 0,122
1,5
12
15,5
18,5
7,5
8
9
10
Технические характеристики трансформаторов ТЗЛ-1 О5.1
Наименование параметра
Значение
Номинальное напряжение, кВ
0,66
Испытательное одноминутное напряжение, кВ
3
Номинальная частота, Гц
50 или 60
Коэффициент трансформации
25-янв.
Односекундный ток термической стойкости вторичной обмотки, А
140
Напряжение на выводах вторичной обмотки (1И1, 1И2) при нагрузке 1 Ом и коэффициенте мощности, равном 1, при протекании по обмотке для проверки функционирования защиты (2И1, 2И2) тока 40 мА частоты 50 Гц, мВ, не менее