Екатеринбург
marketing@cztt.ru 8 800 201-03-77
Екатеринбург
В наличии
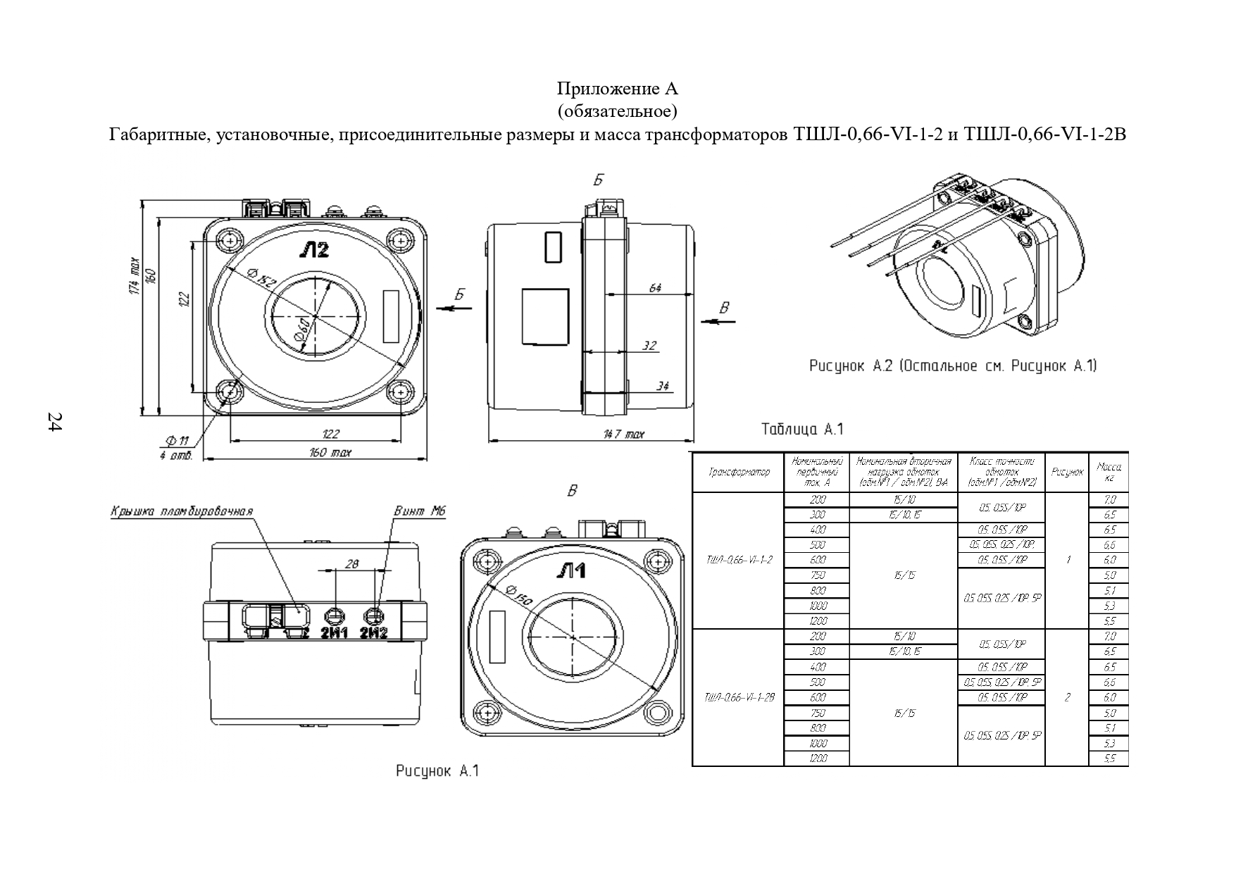
Трансформаторы тока ТШЛ-0,66-VI

Трансформаторы тока ТШЛ-0,66-VI

Класс напряжения, кВ: 0.66 Климатическое исполнение: У3; Т3; У2; Т2; УХЛ2.1 Номинальный первичный ток, А: 200—2500
от 10 530 ₽
Товар сертифицирован Межповерочный интервал: 8 лет
QR
Получить консультацию

Наведите телефон на QR код

Трансформаторы тока ТЗЛМ-100 (250, 300, 450) х 590; ТЗЛМ-450х700
Трансформаторы тока ТЗЛМ-100 (250, 300, 450) х 590; ТЗЛМ-450х700

Диаметр окна, мм: 450х700, 1...

Класс напряжения, кВ: 0.66

Климатическое исполнение: УХЛ2, Т2

Коэффициент трансформации: 30/1…470/1

Номинальный первичный ток, А: 100, 200

Подробнее
Трансформаторы напряжения ЗНОЛ.01 П(К)-20
Трансформаторы напряжения ЗНОЛ.01 П(К)-20

Заземляемый: да

Класс напряжения, кВ: 20

Класс точности: 1, 0,2, 0,...

Климатическое исполнение: Т2, У2

Подробнее
Силовые трансформаторы ОЛ-0,25/10,5(6,3)М
Силовые трансформаторы ОЛ-0,25/10,5(6,3)М

Класс напряжения, кВ: 6, 10

Климатическое исполнение: УХЛ1

Мощность, кВА: до 1 кВА

Подробнее
Трехфазные трансформаторы тока ТШЛ-1,2-Х-110(150)-1(2)
Трехфазные трансформаторы тока ТШЛ-1,2-Х-110(150)-1(2)

Класс напряжения, кВ: 0.66

Климатическое исполнение: У2; УХЛ2

Номинальный первичный ток, А: 75—1...

Подробнее
Трансформаторы тока ТОЛ-35 III-IV-11
Трансформаторы тока ТОЛ-35 III-IV-11

Класс напряжения, кВ: 35

Климатическое исполнение: Т1, УХЛ1

Номинальный первичный ток, А: 30, 40, 50...

Подробнее
Устройство защиты от феррорезонанса СЗТн-2
Устройство защиты от феррорезонанса СЗТн-2

Класс напряжения, кВ: 0.66

Климатическое исполнение: УХЛ

Масса, кг: 12

Подробнее
Трансформаторы напряжения ЗНОЛ.05ПМИ-35
Трансформаторы напряжения ЗНОЛ.05ПМИ-35

Заземляемый: да

Класс напряжения, кВ: 35

Класс точности: 1, 0,2, 0,...

Климатическое исполнение: У3

Подробнее
Трансформаторы тока ТШЛ-0,66-VII-3
Трансформаторы тока ТШЛ-0,66-VII-3

Класс напряжения, кВ: 0.66

Климатическое исполнение: УХЛ1

Номинальный первичный ток, А: 80; 150

Подробнее
Трансформаторы тока ТШП-0,66-I
Трансформаторы тока ТШП-0,66-I

Класс напряжения, кВ: 0.66

Климатическое исполнение: У3; Т3

Номинальный первичный ток, А: 50—6...

Подробнее
Трансформаторы напряжения ЗНОЛ.03
Трансформаторы напряжения ЗНОЛ.03

Заземляемый: да

Класс напряжения, кВ: 6, 10

Класс точности: 1, 0,5, 0,...

Климатическое исполнение: У3

Подробнее
bg
оставьте заявку

Наш специалист проконсультирует
вас по интересующему вопросу

Бесплатная консультация
Александр Андреевич
Александр Андреевич Опыт работы с трансформаторами тока более 17 лет!
Нажимая на кнопку вы соглашаетесь на обработку персональных данных

Ваш город Екатеринбург?